突然ですが、今日はスケッチ課題を出題します!
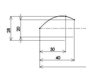
スプーンのすくう部分をスプラインで描いています。
この部分をうまく作れるかがポイントですね。
******************
以下は回答になりますので、
この課題に取り組まれる方は後でご確認くださいね。
やり方、大きく分けて2通りあるかと思います。
1)中心線が描いてあるので上下どちらか半分だけ作って
「エンティティのミラー」で対称に作る方法
2)すくう部分のスプラインだけ一度にぐるっと描いてしまう方法
中心線があるので、1の方法で取り組まれた方も多いと思います。
どちらの方法でも作成可能です。
ただ、スプラインはカーブの制御が難しいので、
1回で描いたほうがより滑らかでキレイな曲線が描けます!
ですから、まずは2の方法をご案内しますね。
ぐるっと描いてしまいます。
このとき、描き始めから終わりまでのクリックは5箇所です。
3回目のクリックは中心線の端と重ねてくださいね。
外形が描けたら拘束を入れていきます。
上図のように中心線に対して対称の拘束を付けます。
拘束の付け方は2点と中心線をCtrlキーを押しながら選択して、
左側に現れたメニューより「対称」を選択
次に寸法を入れます。
出来ました^^
**************
次に1で作る場合
(スプラインの制御方法も入れてます。
また区切が分かりやすいよう、背景を変えました)
上半分だけ描いて、「エンティティのミラー」
このような形になりました。
お気づきになりましたか?先端。
これで食べたら痛そうですよね^^;
丸めていきましょう。
もう一度スプラインで描いた曲線をクリックすると
左側にメニューが出ます。
パラメータでも数値を変えられますが、
スケッチにも矢印が出現しています。
この矢印を「ハンドル」といいます。
この矢印をドラッグして向きや長さを変えることでも
曲線をコントロールできます。
(先端にある●と途中にあるダイヤマークでドラッグ可能です)


正解は無いのでキレイに見えるポイントを探してみてください。
(ぐるっと1回で描いた方がいいというのが、
分けるとこのように滑らかな曲線を作る操作が必要になるからです)
いじりすぎておかしくなってしまった!という場合は
同じメニュー内の下に「全ハンドルをリセット」というボタンがあります。
そちらで初期値に戻ってやり直してください。
柄の部分はトライしてみてくださいね。
こちらは「エンティティのミラー」で作ります。
いずれ、これを肉付けして立体化するまでの
工程を追ったスプーン作成のシリーズにしますので、
出来たスケッチは保存しておいてもらえると幸いです。










