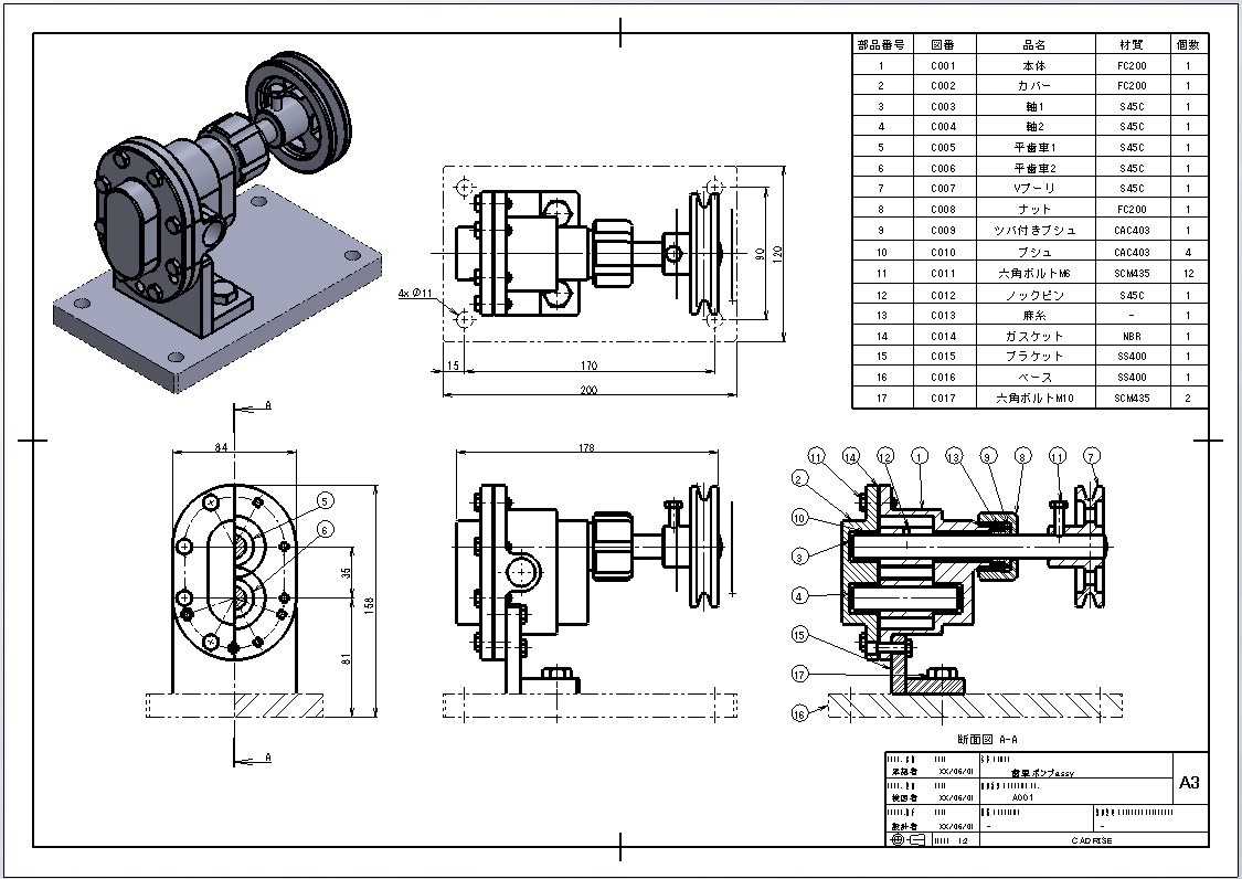
今回は組立図で部品ごとに線種を変更する方法をご案内いたします。
変更の事例として、DVD教材『よくわかる!SOLIDWORKS図面』収録の
歯車ポンプを使用していきますね。
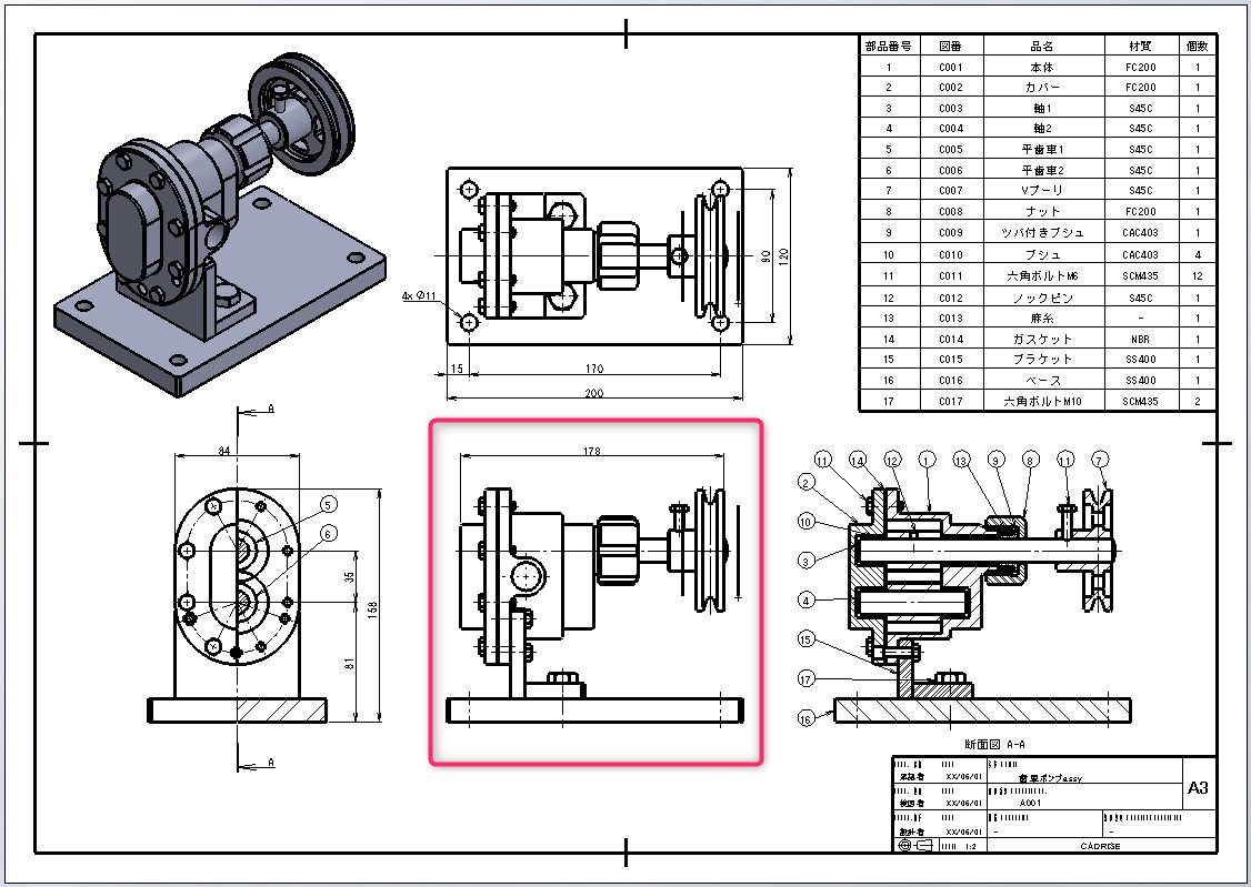
こちらの組図の正面図、赤枠で囲われた部分の下部の部品、ベースを想像線に変更してみます。
※本編では、この部品は「解答_C016_ベース」という名称にしてあります。
①ツリーから、正⾯図のビューにあたる「図⾯ビュー2」のフライアウトボタンをクリック。
②アセンブリドキュメント「解答_⻭⾞ポンプassy」を展開します。
③「解答_C016_ベース」を右クリックし、
④メニューから「構成部品の線のフォント」をクリック。
「構成部品の線のフォント」のダイアログボックスが現れます。
⑤ドキュメントのデフォルト設定のチェックをはずすと、
個別に線種の設定ができるようになります。
⑥可視エッジの
・線の種類を「⼆点鎖線」に、
・線の太さを「0.18㎜」に変更します。
※可視エッジは外形線にあたるエッジのことです。
⑦今回は、
・設定対象を「選択ビュー」にし、「OK」をクリック。
選択した、正⾯図のビューの部品「解答_C016_ベース」を想像線に変更できました。
また、設定対象を「全図⾯ビュー」にすると、
組⽴図全体の部品「解答_C016_ベース」を想像線に変更できます。
今回はベースの部品を変更しましたが、本来、想像線は隣接する部分または工具、ジグ、ワークなどの位置を参考に示したり、
可動部分を表すことに使用します。
組立図で、そのような表現を行いたい場合には、ぜひこちらの方法をお試しください。





